Sender
header

Geschichte des Funkwesens

header

 · Firmengeschichte(n)
 · Logos
 · Fernseher
 · Mikrofone
 · Plattenspieler
 · Radios
 · Kofferempfänger
 · Tonband- und
   Kassettengeräte

 · UKW-Vorsetzer
 · Verstärker
 · Abtastsysteme
 · Magnetbandköpfe
 · Magnettonbänder
 · Antennen
 · Lautsprecher
 · und Kopfhörer

 · Mikrofone
 · Militärische Geräte
 · Radio- und TV-Bauteile
 · Röhren
 · Rundfunkempfänger
 · Stromversorgung
 · Telefone
 · Tonspeichergeräte
 · Abtastsysteme (Nadel)
 · Tonträger
 · TV, Fernseh-Empfänger
 · Verstärker
 · Werkstattbedarf
 · Zubehör und
 · Vorsatzgeräte

 · Diverses
 · TGL´s
 · RGW-Standards
 · Bauelemente
   nach Werkstandards

 · Bauelemente
   ohne Standards
 · Rundfunksender
 · Fernsehsender
 · Senderlogos
 · Wellenlängen und
 · Frequenzen

 · TV-Normen
 · Deutsches Reich
 · DDR
 · BRD
 · Bestimmung
 · des Baujahres

 · DDR-Handy
 · Röhrensockel und
 · Röhrenfassungen

 · Gemeinschaftsem-
 · pfänger 1933 - 1945

 · Schellack-Platten-Story
 · OSW-Story
 · TEFI-Schallbandtechnik
 · Kleines Radio-Lexikon

Sender Nauen

zusammengetragen von: Jürgen Tiedmann

Rundfunksender

Sendestation / Ort Zeit Band Frequenz Meter Programm Leistung Bemerkungen
Nauen
Großfunkstelle Nauen
Graf-Arco-Str.
16.08.1906   20...100 kHz   Morsezeichen 10 kW Inbetriebnahme
Knallfunkensender
1909
bis ???
  ???       35 kW
100 kW
Löschfunkensender
07.06.1911 erstmaliger Funkkontakt mit Togo
1913
bis ???
  ???     Befehle an die Auslandskreuzer und U-Boote im 1. Weltkrieg 100 kW
150 kW
200 kW
400 kW
Maschinensender
05.01.1917
bis ???
      3.900 Zeitzeichen    
05.01.1917
bis ???
      18.000 Zeitzeichen   Sender I
23.07.1919
bis ???
      12.600 Austausch von Privattelegrammen mit den Vereinigten Staaten    
1924
bis ???
KW ??? kHz     800 W Telegraphie
1933
bis
1945
LW ??? kHz       Längstwellensender
zur Übermittlung von Befehlen an getauchte U-Boote
1955
bis ???
KW ??? kHz       vorwiegend für diplomatische Kontakte
1958
bis ???
KW ??? kHz   Radio Berlin International   Auslandsrundfunk
1959
bis ???
KW
???
kHz   Radio Berlin International
50 kW
Inbetriebnahme Sender Typ SK1/R, Funkwerk Köpenick
02.02.1964
bis
02.07.1964
KW
???
kHz       Probebetrieb Sender Typ 1534.3 , Funkwerk Köpenick
02.07.1964
bis ???
KW
???
kHz   Radio Berlin International (Suaheli)
100 kW
 
1978
bis ???
KW
???
kHz   Radio Berlin International
500 kW
Inbetriebnahme Sender Typ PKW 500, SU
1958
bis ???
KW ??? kHz   Deutscher Demokratischer Rundfunk   Auslandsrundfunk

Die Großfunkstelle Nauen ist die älteste Sendeanlage der Welt.

Ihr erster "Lebensabschnitt" von 1906 bis 1909 ist charakteristisch für die Anwendung eines Braunschen Sendekreises mit Knallfunkenstrecke. Die Station wurde als Versuchsstation betrieben.

Am 9. August 1906 wurde der Probebetrieb und am 16. August 1906 der operative Betrieb als Versuchsstation von Telefunken aufgenommen.

Die Station hatte zu dieser Zeit eine Antennenleistung von etwa 10 kW, die ihr schon den Beinamen "Riesenstation" einbrachte.

   Quelle: [41]
Kaiser Wilhelm II bei einer Besichtigung der Großstation Nauen am 7.11.1906

   Quelle: [281] S. 196
Die Station mit Sendemast 1906

Als Sendemast diente ein 100 Meter hoher, gegen Erde isolierter Stahlfachwerkmastder Firma Hein, Lehmann & Co.
Er trug eine Schirmantenne deren, nach den Boden abgespannte, Drahtenden auf einen Kreis von 400 m Durchmesser lagen :

   Quelle: [41]
Antennengebilde 1906-1909

Als Sender wurde ein Knallfunkensender nach Prof. Braun verwendet:

   Quelle: [41]
Batterie aus 360 Leidener Flaschen und Transformatoren für die Knallfunken-Sendeanlage 1906-1909

Da die Station über keinen Stromanschluss verfügte, wurde im Sendergebäude, einem leichten Fachwerkhaus, ein Lokomobil mit einer Leistung von 35 PS aufgestellt, welches einen 50 Hz Wechselstromgenerator mit 24 kVA Leistung antrieb. Das "Lokomobil" stammte aus einer Brauerei.

   Quelle: [41]

Nauen sendete und empfing u.a. Telegramme.
Die erste Einrichtung hierfür war für den Schreibempfang mit Fritter:

   Quelle: [281] S. 201
Der erste Empfängertisch 1906-1909

Zu sehen sind rechts der Morseschreiber, darüber eine, im Scharnier bewegliche, Koppelungsspule, links ein Abstimmungs-Drehkondensator.
Durch einen Hebelumschalter mit Kurbel (oben) konnte die Antenne wechselnd an die Sende- oder Empfangseinrichtung gelegt werden.

1909 begann der "2. Lebensabschnitt" der Station, immer noch als Versuchsstation. Er umfasste die Jahre 1909 bis 1911. Der Braun-Sender wurde entfernt. Dafür wurde ein Löschfunkensender nach Telefunken installiert. Mit ihnen konnten Reichweiten von 5.000 Kilometern erzielt werden. Korrespondierenden Stationen in den USA waren Sayville auf Long Island bei New York, Marion, Annapolis und Longbeach. Weitere Funkkontakte bestanden mit Cartagena (Kolumbien), Java, Japan und Mexiko.

Die Antenne wurde verändert. Vom 100-m-Mast wurden die Drähte nicht mehr zum Boden geführt, sondern zu 12 Hilfsmasten die ein kreisrundes Abspannseil trugen. Dadurch endeten die Drähte bereits 30 m über dem Boden. Der Durchmesser des Schirmes wurde auf 600 m vergrößert.

   Quelle: [41]
Antennengebilde 1909-1911

Das alte 35-PS-Lokomobil wurde durch ein neues mit 70 PS ersetzt. Damit konnte der Antenne eine Leistung von 35 kW zugeführt werden.

Der Empfänger wurde ebenfalls erneuert. Er war jetzt sowohl für Schreib- wie für Höraufnahme eingerichtet.

   Quelle: [281] S. 203
Empfängertisch 1909

Links ist ein Verstärker zu sehen, wie er vor Einführung der Hochvakuumröhren verwendet wurde.

Im "3. Lebensabschnitt" von 1911 - 1916 wurde die Funkstelle Nauen von einer Versuchsstation zur Betriebsstation.

Nicht nur der Knallfunkensender gehörte der Vergangenheit an. Neben der Vergrößerung der Löschfunkensenderleistung begann das Zeitalter der Maschinensender. Dafür wurde die Station grundlegend umgebaut.

Am 07.06.1911 gelang deutschen Funkern in der Kolonie Togoland eine drahtlose Verbindung mit der Großfunkstelle Nauen (über 5.000 km). Die Versuche führen zum Bau der Funkstation Kamina.

   Quelle: [41]
Empfangs-Versuchsanlage in Togo

Im gleichen Jahr wurde ein neues Sendehaus für eine Löschfunkenanlage mit einer Antennenleistung von 100 kW errichtet.
Der 100-m-Antennenmast wurde auf 200 Meter Höhe aufgestockt.

   Quelle: [281] S. 205
Der 200-m-Mast in Nauen 1912, links das neue Löschfunkenhaus

Allerdings wurde dieser Mast durch einen Sturm am 31. März 1912 zerstört.

   Quelle: [41]

Er wurde durch eine Antenne ersetzt, die von einem neuen Mast in Höhe von 260 m getragen wurde und zwischen zwei 120 Meter hohen Masten in einer Entfernung von je 600 m gespannt war.

Ende 1912 wurde diese wiederum durch eine von 5 Masten getragene L-Antenne mit V-förmigen Grundriss ersetzt.

   Quelle: [41]
Antennengebilde 1911-1916

Die Energieversorgung durch das Lokomobil reichte nicht mehr aus. Auf eine weitere eigene Stromversorgung konnte verzichtet werden da die Brandenburgischen Kreis-Elektrizitätswerke Spandau der Großfunkstelle Nauen über zwei Erdkabel den Strom in Höhe von 15 kV mit einer Frequenz von 50 Hz liefern konnten. Als Reserve gab es noch weitere zwei Freileitungen, so dass die Großfunkstelle durch 3, voneinander unabhängige, Stromleitungen versorgt werden konnte. Der gesamte Anschlusswert betrug 1.250 kVA.

Der gelieferte Strom wurde durch Transformatoren, Hochfrequenzmaschinen, Frequenzwandler usw. so verändert, dass er als hochfrequenter Strom in Form von Telegraphierzeichen oder Telephonie in die Welt hinaus gesendet werden konnte.

1913 liefert TELEFUNKEN eine 500 (400) kW-Hochfrequenzmaschine nach Nauen. Diese arbeitete mit Frequenzverdopplung nach dem System Arco.

   Quelle: [255] S. 21

Da die erzeugte Frequenz von 6.000 Hz nicht ausreichte wurde diese noch durch statische Frequenzwandler auf 12.000 Hz bzw. 24.000 Hz vervielfacht.

   Quelle: [255] S. 25
Frequenzwandler mit Tank

Bald gab es 5 verschiedene Maschinensender:

   Quelle: [255] S. 7

Über diese konnten auch die Befehle an die Auslandskreuzer und U-Boote im 1. Weltkrieg gegeben werden.

   Quelle: [255] S. 7 Quelle [11] Bild 102-10978 / unbekannt / CC-BY-SA
Maschinensaal
Hochfrequenz-Maschinen-Sender

Die Sender I und II wurden mit je einem Hochfrequenzumformer mit eine Leistung von 400 kVA betrieben. Die Sender II, IV und V waren gemeinsam an einem kleinen Hochfrequenzumformer von 150 kVA angeschlossen.

An den Seiten der Maschinenhalle stehen die Umformer für die Lieferung von Gleichstrom zur Vormagnetisierung der Frequenzwandler f1 und f2. Unter der Galerie hängen Kupferseilspulen, die einen Eintritt der Hochfrequenz aus den Schwingungskreisen in die Gleichstrommaschinen verhindern. Von dort gingen die Leitungen zum Antennenschaltraum und von dort weiter zu den Antennen.

   Quelle: [255] S. 8
Schaltung des Senders II

   Quelle: [41]
Schema eines Senders Nauen mit Hochfrequenzgenerator

Am 10. Februar 1914 wurde eine 1.037 Meter lange, von einem 260 Meter hohen und zwei je 120 Meter hohen Masten getragenen L-Antenne installiert. Zeitgleich erhielt die Station ein neues Sendergebäude.

Mit Beginn des Ersten Weltkriegs unterstand die Station der Kaiserlichen Admiralität und bekam eine große Bedeutung, denn die nach Deutschland führenden Überseekabel waren von den gegnerischen Staaten unterbrochen worden. Von Nauen erreichte die Nachricht vom Kriegsausbruch die deutschen Kolonien, die wiederum zahlreiche deutsche Handelsschiffe warnten.

Hier eine Übersicht über die drahtlosen Verkehrslinien bei Kriegsausbruch 1914:

   Quelle: [281] S. 212

1916 erfolgte auf Drängen von Hans Bredow (damaliger Telefunken-Direktor und späterer Reichsrundfunk-Kommissar) der Ausbau der Station. So wurden sowohl das Sendehaus erneuert als auch die Antennenanlage enorm vergrößert und weitere Hochfrequenzmaschinensender aufgestellt.

   Quelle: [41]
Antennengebilde 1916-1919

   Quelle: [44]

Die Antenne wurde von zwei 260 und von vier 125 Meter hohen Masten getragen. Sie erstreckte sich über eine Länge von 2.484 Metern.

Die Antennenanlage bestand aus 2 Teilen:

Die größere A-Antenne in Nord- / Südrichtung diente dem Überseeverkehr.
Die kleinere ostwestlich gerichtete B-Antenne in Dreiecksform diente hauptsächlich dem Verkehr innerhalb Europas.

   Quelle: [44] C.Rogge
Die B-Antenne vom Dach des Stationsgebäudes gesehen

Im rechten Winkel zu dieser gab es noch eine kleinere Antenne, die von drei Masten getragen wurde, von denen einer wie ein Freileitungsmast aussah.

Mit der Fertigstellung der neuen Antennenanlage, die mit einer Energie von 400 kW gespeist werden konnte, begann 1916 der 4. "Lebensabschnitt" der Station, die Zeit der "Vollreife".

Am 5. Januar 1917 begann die regelmäßige Ausstrahlung des Zeitzeichens.

Dieses wurde täglich 2 mal (jeweils 1.00 Uhr und 13.00 Uhr Mitteleuropäischer Zeit) vom Sender I auf einer Welle von 18.000 m gesendet.
Außerdem wurde das Zeitzeichen noch mit einem alten gedämpften Tonfunkensender auf Welle 3.900 m ausgestrahlt, der lediglich zu diesem Zweck noch beibehalten wurde. Dessen Zeitsignal war für kleine Seefahrzeuge bestimmt.
Das Zeitzeichen wurde von der Hamburger Seewarte gesteuert und ausgelöst.
Das Nauener Zeitzeichen setzte sich aus der Vorankündigung und der eigentlichen Zeitmeldung zusammen.

   Quelle: [281] S. 280
Die Zeichenfolge des Nauener Zeitsignals

Ende 1917 begann Telefunken einen ersten Versuch eine Empfangsstelle für den Nauener Funkverkehr im, 200 km entfernten, Naumburg zu schaffen. Ziel war es von der eigenen Sendeenergie genügend frei zu kommen. Als richtungsempfindliche Antenne wurde dort zunächst ein V-förmiger Luftdraht mit 900 Metern Schenkellänge errichtet. Diese Antenne wurde jedoch bald durch einen Braunschen Rahmen von 40 Metern Höhe ersetzt (siehe Bild Anfang 1919).
Die Betriebserfahrungen zeigten, dass diese Entfernung zwischen dem Nauener Sender und der Empfangsstation nicht erforderlich war. So gab man den Standort Naumburg wieder auf und zog mit den Versuchsapparaten und der Empfangsstation Anfang 1919 nach Geltow bei Potsdam um.

1918 begann der Bau des neuen Stationsgebäudes.

Am 26.01.1918 wurde in Berlin wird die "Drahtlose Übersee-Verkehrs AG" (Transradio Nauen) mit Sende- und Empfangsanlagen in Nauen und Geltow gegründet. Sie war eine Tochtergesellschaft von "Telefunken". Sitz der Geschäftsleitung war Berlin SW 11, Hallesches Ufer 12. Die Betriebszentrale befand sich im Hause des Postfuhramtes in der Oranienburger Str.

Es konnten Entfernungen von 20.000 km überbrückt werden. Die Station wurde in Avanui auf Neu-Seeland gehört. Dadurch gab es keinen Punkt auf der Erde mehr den Nauen nicht erreichen konnte.

   Quelle: [281] S. 213
Entwicklung der Reichweiten von Nauen 1908 - 1918

Von 1918 bis 1931 gehörte die Anlage zur Transradio AG.

   Quelle: [41]
Ansicht der Großstation Nauen um 1918
Quelle [44]
   Quelle: [41]
Stationshaus August 1918

Anfang 1919 erfolgte ein Umzug der Versuchsempfangsstation von Naumburg nach Geltow bei Potsdam, 30 km von Nauen entfernt. Hier störten die starken Sende-Signale von Nauen genau so wenig den Funkempfang wie vorher in Naumburg.
Als Empfangsantenne diente ebenfalls ein Braunscher Rahmen von 40 Metern Höhe. Dieser hing an einem hölzernen Mast.
Von den 12 Windungen des Rahmens befanden sich je 6 auf jeder Seite des Mastes. Dadurch konnte jede Hälfte mit 2 Empfangseinrichtungen gesondert benutzt werden.

   Quelle: [281] S. 233

Als "Empfangshaus" diente ein Möbelwagen.

   Quelle: [281] S. 234
Das Innere des Möbelwagens in Geltow

Am 23.07.1919 begann der Austausch von Privattelegrammen mit den Vereinigten Staaten.

Noch mit dem Möbelwagen und mit der geteilten Antenne konnten 2 amerikanische Stationen (New Brunswick und Annapolis) gleichzeitig empfangen werden.

Da dieser "Duplexbetrieb" höhere Anforderungen an die Empfangsstation stellte musste diese schnell von einer Versuchseinrichtung zur Betriebsanlage ausgebaut werden.

Dafür wurde eine größere Holzbaracke gebaut. Der Möbelwagen wurde danach wieder für Laborzwecke verwendet.

   Quelle: [281] S. 235    Quelle: [281] S. 236
Empfangsanlage mit Rahmenantenne in Geltow
Empfangsstation bei Geltow

   Quelle: [41]
Schema der Empfangsanlage in Geltow

Es dauerte nicht lange und man stellte fest, dass die große Rahmenantenne nicht mehr erforderlich ist. Der Empfang konnte genauso mit kleineren Rahmenantennen von 20 cm bis 3 m Seitenlänge innerhalb des Empfangsgebäudes gewährleistet werden. Vorteile waren die Witterungsunabhängigkeit und bessere Möglichkeiten zur Ausrichtung auf die gewünschten Sendestationen.

   Quelle: [281] S. 237

   Quelle: [282] S. 36
Empfangsrahmen in Geltow

   Quelle: [282] S. 38
Der "Amerika-Turm" in Geltow

Im August 1919 veröffentlichte die "Telefunken-Zeitung" eine Nauen=Nummer. Vielen Dank für die Veröffentlichung dieser Zeitung im Radiomuseum.org.

1920 wurde in Nauen das, von dem bekannten Architekten Geheimrat Hermann Muthesius gestaltete, neue Sendegebäude, der charakteristische Muthesiusbau, fertiggestellt.

   Quelle: [39]

Am 29. September 1920 wurde die modernisierte Sendestelle durch Reichspräsident Friedrich Ebert eingeweiht. Dazu erschienen eine Festschrift und ein Führer durch die Station.

1923 wurde in Nauen der letzte Maschinensender aufgestellt.

Ab 1924 wurden Kurzwellensender installiert.

Mit ihnen wurde vor allem der gesamte drahtlose Telegraphie- und Telefonie-Verkehr mit Südamerika abgewickelt. Außerdem wurden die Verkehrslinien nach Nordamerika, Mexiko, Japan, China und Siam betrieben.

   Quelle: [2] S. 12a
Der historische Dipol. Mit diesem erfolgte erstmalig drahtloser Telefonieverkehr mit Südamerika

   Quelle: [106] 1924, Heft 24, S. 1304

1929 waren in dem ersten Urgebäude der Großfunkstelle (und nicht im neu errichteten Sendehaus) die damals neuesten Einrichtungen der drahtlosen Nachrichtenübermittlung, 7 Telefunken-Kurzwellensender und die Apparate für Bildtelegraphie untergebracht.

   Quelle: [2] S. 14
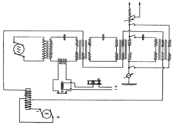
Schaltschema eines Kurzwellensenders

Zwei modernere Kurzwellensender waren im, neu errichteten, Kurzwellenhaus II welches einige hundert Meter vom Hauptgebäude stand.

   Quelle: [2] S. 15
Kurzwellenhaus II

   Quelle: [224] 1932, Heft 42, S. 26
Innenansicht des Kurzwellensendehauses mit 2 20-kW-Telefunken-Kurzwellensendern

Zum Vergleich: der große Platzbedarf eines 500-kW-Langwellen-Maschinensenders in Nauen:

   Quelle: [224] 1935, Heft 50, S. 14

Die Großfunkstelle Nauen war eine fernbediente Sendestelle, sie diente nur dem Aussenden von Telegrammen, während das Auffangen der von den Gegenstationen ankommenden Nachrichten auf besonderen Empfangsstellen erfolgte. Die eigentliche Verarbeitung sowohl der ausgesandten als auch der ankommenden Telegramme, also die Abfertigung, Weiterleitung, Kontrolle, Abrechnung usw. geschah in der "Betriebszentrale" in Berlin, wo die Zusammenfassung der Sende- und Empfangsbetriebe erfolgte.

   Quelle: [255] S. 5
Fliegeraufnahme der Großfunkstelle

   Quelle: [255] S. 5
Betriebsgebäude (Vorderansicht)

Im ersten Stock des Gebäudes befand sich 1929 ein großer Vortragssaal wo an Modellen sowohl die Gliederung der einzelnen Sender als auch der Aufbau der Antennenanlage in übersichtlicher Form aufgezeigt wurde. Dieser Saal mit seinen schematischen Erläuterungen und Tabellen, seiner Kinoausrüstung und seinen verschiedenen Modellen diente auch als Hörsaal. Es sollen jährlich viele tausend Besucher dieses Angebot genutzt haben.

Die Antennenmaste wurden von der Firma Hein, Lehmann & Co. AG Reinickendorf konstruiert und gebaut.
Die Hauptform des Antennengebildes war die eines Ovals welches von vier Zentralmasten und acht Randmasten getragen wurde.
Zwei der Zentralmaste hatten eine Höhe von 265 m, jeder hatte ein Eigengewicht von 350 t. Sie bestanden aus zwei Teilen.
Aus einem stärkeren, 150 m hohen, unteren Teil mit einem Querschnitt in Form eines gleichseitigen Dreiecks (6,5 m Seitenlänge) und einem 110 m hohen schwächeren oberen Teil. Diese hatten ebenfalls die Form eines gleichseitigen Dreiecks mit einer Seitenlänge von 4,8 m. Beide Teile waren durch Porzellankörper voneinander isoliert. Der obere Teil ruhte auf dem Anderen auf einem Kugelgelenk.
Die beiden anderen Zentralmasten hatten Höhen von 210 m und 150 m.
Von den Randmasten hatten sechs Stück eine Höhe von 210 m (Gewicht 130 t) und zwei eine Höhe von 150 m).

   Quelle: [255] S. 10
Antennenanlage um 1929

Die Maste bestanden also aus einer dreieckigen Eisenkonstruktion die nach unten in einer Spitze ausläuft. Diese ruht auf einem Kugelgelenk auf einem Verteilungsträger.
Die Verteilungsträger ruhten auf 24 Säulen von je vier aufeinander gestellten Porzellankörpern. Durch diese waren die Maste gegen Erde isoliert.
Die Fundamente bestanden aus Eisenbeton von 6 m quadratischer Seitenlänge und 2 m Tiefe. Jedes davon wog allein 160 t.

   Quelle: [255] S. 11
Mastfuß mit Isolation

Die Abspannungen bestanden aus parallel geführten Stahldrähten welche an besonderen Fundamenten in der Erde verankert wurden.
Die unteren Mastteile wurden nach drei, um 120° versetzten Fundamenten (von 450 t Gewicht) abgespannt. Diese standen in einem Abstand von 100 m vom Mastfuß.
Die oberen Teile wurden ebenfalls nach drei, um 120° versetzten Fundamenten abgespannt. Diese befanden sich 172 m vom Mastfuß. Ihr Gewicht betrug 600 t.
Die Abspannungen waren ebenfalls an beiden Enden isoliert und teilweise durch eingefügte Isolatoren unterteilt.

Die Antennen bestanden teilweise aus Bronzeseilen, aber auch Aluminiumseilen. An den Masten waren die Antennen isoliert befestigt.

Hier eine Übersicht über das Zusammenwirken der einzelnen Sender und Antennen:

   Quelle: [255] S.13

Meterampere steht für das ungefähre Maß für die Reichweite einer Sendeanlage.

   Quelle: [11] Bild 102-09548 / CC-BY-SA
Antennenanlagen der Großfunkstelle 1930

   Quelle: [11] Bild 102-10977 / unbekannt / CC-BY-SA
Die Großfunkstelle im Januar 1931, im Hintergrund der Muthesiusbau

Am 1. Januar 1932 übernahm die Deutsche Reichspost die Station.

   Quelle: [224] 1932, Heft 42, S. 25
Antennenanlage zur Bündelung kurzer Wellen

Diese Richtantennensysteme wurden für Kurzwellensender verwendet um nur mit einer bestimmten Gegenstation zu kommunizieren. Sie ermöglichten eine leistungsfähige Verbindung. Das Richtantennensystem bestand aus einer großen Zahl von Dipolen die horizontal oder vertikal in Abständen von je ½ Wellenlänge neben oder übereinander in einer Fläche angeordnet waren.

   Quelle: [255] S. 18
Prinzip eines Richtantennensystems

Hörproben: Achtung, Achtung, hier Phono-Nauen! 1. Teil und 2. Teil

      Quelle: unbekannt

      Quelle: unbekannt

Vor 1937 sah der Hauptsendesaal folgendermaßen aus: Dort stand der Langwellensender mit einem Energieaufwand von 400 kW. Im Vordergrund der Maschinensatz.

   Quelle: [2] S. 1a

Hier die Antennenverlängerungsspulen. Sie waren auf einem fahrbaren Gestell montiert um die Kopplung ändern zu können:

   Quelle: [2] S. 4a

Obwohl in den 1930er Jahren schon längst Röhrensender Stand der Technik waren, wurden die Maschinensender 1937 noch modernisiert.

Aus dem Jahr 1937 stammt eine Karte in der Nauen als der Mittelpunkt der Welt dargestellt wurde:

   Quelle: [2]
Die Welt um Nauen

Am 29.09.1938 wird der repräsentative Erweiterungsbau der Großfunkstation von "Transradio Nauen" seiner Bestimmung übergeben.

Im Zweiten Weltkrieg dienten die Längstwellensender der Station hauptsächlich zur Übermittlung von Befehlen an getauchte U-Boote.

Im Jahr 1944 waren insgesamt 22 Sender mit einer Gesamtleistung von 1.230 kW im Einsatz. Davon 2 LW-Sender mit zusammen 730 kW und 20 KW-Sender mit zusammen 500 kW.

Die Sender dienten folgenden Aufgaben und wurden eingesetzt für:
Feste Funkdienste (13 Sender mit zusammen 725 kW),
Wehrmachtsfunkdienste (11 Sender mit zusammen 900 kW),
Sonderfunkdienste für das auswärtige Amt (4 Sender mit zusammen 40 kW),
Pressefunkdienste (6 Sender mit zusammen 170 kW),
Rundfunk (5 Sender mit zusammen 130 kW) und für den
Funksprechverkehr (3 Sender mit zusammen 90 kW).

Vorhanden war eine Einrichtung für Ballempfang vom Typ Schwabenland und (mindestens) ein Telefunken-Plattenspieler.

Die Sender konnten, je nach Aufgabe, auf insgesamt 77 Antennen speisen.
3 Flächenantennen waren für die Langwellen-Sender bestimmt.
Die restlichen 74 Antennen waren für die Kurzwellen-Sender bestimmt und hatten folgende Bauformen:
42 Strahlerwände der Firma Telefunken als Richtantennen,
13 Rhombusantennen,
4 veränderliche Vertikalstrahler,
8 Vertikaldipolantennen und
7 Schrägdrahtantennen.

Die Stromversorgung erfolgte durch das Märkische Elektrizitätswerk Spandau mit 15.000 V. Als Ersatzanlage stand ein 1.000 PS (850 kVA)-Dieselsatz zur Verfügung.

Ab Ende Mai 1945 erfolgte die Demontage der Sendeanlagen durch die sowjetischen Besatzungsmächte. Die Station hatte den Zweiten Weltkrieg weitgehend unbeschadet überstanden, alle technischen Einrichtungen wurden abgebaut und die Masten gesprengt.

Bis 1955 herrschte Funkstille in Nauen und das Gebäude wurde als Kartoffellager genutzt. 1955 begann man in Nauen mit dem Aufbau von Kurzwellensendern, erst für diplomatische Kontakte, ab 1958 auch für den Auslandsrundfunk. Als Sendeantennen wurden zunächst 39 Rhombusantennen errichtet.

Im Oktober 1961 begannen die Bauarbeiten für eine, der damals weltweit modernsten, dreh- und schwenkbare Kurzwellen-Sendeantenne am Dechtower Deich (Dechtower Damm 66).
Im Februar 1964 begann der Probebetrieb.
Am 2. Juli 1964 erfolgte die Inbetriebnahme.

Die Drehstandantenne, in Verbindung mit einem 100-kW-Sender vom Typ 1534.3 des Funkwerkes Köpenick, diente zur Übertragung von "Radio Berlin International" für Afrika in der Sprache Suaheli.

Die beiden Antennenfelder verfügen über ein Gewicht von 40 und 70 Tonnen.

Weitere Daten dieser Antenne wurden vom "Zentrum für Funk- und Energietechnik Nauen e.V." zur Verfügung gestellt. Vielen Dank für die freundliche Genehmigung zur Veröffentlichung.

Eine weitere ausführliche Beschreibung hat "Radio Oberlausitz International" aus seinem Archivbestand beigesteuert. Hierfür ebenfalls vielen Dank.

   Quelle: Quelle: [279]
Drehstandantenne aus dem Jahr 1964

1972 wurde in der Nähe dieser Antenne eine Kurzwellenvorhangantenne errichtet und weitere Sender in Betrieb genommen.

      Quelle: [11] Bild 102-11590 / unbekannt / CC-BY-SA

Nach der deutschen Wiedervereinigung ging die Anlage in Nauen an die Deutsche Bundespost über. Es wurden alle Sender und Antennen, die nicht dem Kurzwellenrundfunk dienten, abgeschaltet und demontiert.

1994 wurde eine vollständige Rekonstruktion der Drehstandantenne mit einem Austausch der Steuerungstechnik durchgeführt.

1998 erfolgte die Demontage des 100-kW-Sender vom Typ 1534.3.

1999 wurden erste Versuche von regionalen Funkamateuren mit der Drehstandantenne durchgeführt.

Mitarbeiter des Zentrum für Funk- und Energietechnik Nauen beantragten beim, für technischen Denkmalschutz zuständigen, Brandenburgischen Landesamt für Denkmalpflege den technischen Denkmalschutz für die Drehstandantenne, welcher von der obersten Landesdenkmalbehörde zugelassen und genehmigt wurde.

Bis zum heutigen Zeitpunkt, im Jahre 2013, ist die dreh- und schwenkbare Richtantenne voll funktionstüchtig und betriebsbereit.

Hier eine sehr interessante Quelle:

Eine Führung durch die Großfunkstelle Nauen (1929)

TELEFUNKEN schreibt auf seinem Einband: "Veröffentlichung unter Quellenangabe gern gestattet"

Eine_Fuehrung_durch_die_Großfunkstelle_Nauen.pdf     Quelle: [255]


Quellen: [2], [10], [39], [41], [44], [159], [255], [279], [280], [281]

nach oben Seitenanfang Letzte Änderung dieser Seite: 03.01.2024